2009-01-15[n年前へ]
■Simulinkで経済循環モデルを作ってみる 
高校生気分になって、「アメリカの高校生が学ぶ経済学 原理から実践へ」を読み直しています。読んだ時には、でわかったつもりになったのですけれど、教科書に書いてあることを自分でやってみようと思うと、これが実に難しいもののです。・・・つまり、ひとことで言ってしまえば、全然わかっていないわけです。
たとえば、ごく単純そうに見える、第4章「マクロ経済学:政策」を読み、経済活動の循環モデル、生産・支出モデルの説明を読んで、その応用を自分でしてみようと思ってみても、それがなかなかできないのです。・・・そこで、モデルベースのシミュレーションを行うためのツール、 Simulinkを使い、実際にモデル計算をすることで、項目ひとつひとつを納得しながら、読んでみることにしました。
というわけで、まずは第4章「マクロ経済学:政策」の経済活動の循環モデル、生産・支出モデルの説明から、「経済活動循環・生産・支出モデル」を単純化した上で、Simulinkのモデルを作り、そしてシミュレーション計算してみました。それが右上のSimulinkモデルと、国民総生産の計算結果のグラフです。知っている人にとっては当たり前なのでしょうけれど、まだまだ難しくてよくわかりません・・・。
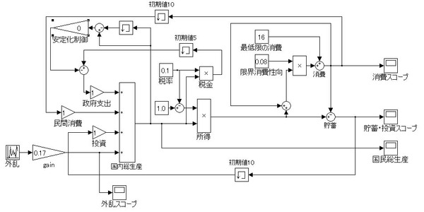
2009-01-19[n年前へ]
■続々:Simulinkで経済循環モデルを作ってみる 
「Simulinkで経済循環モデルを作ってみる」「続:Simulinkで経済循環モデルを作ってみる」というように、教科書を読みながらマクロ経済学のイロハを学ぼうとしています。
というわけで、まずは「スティグリッツ入門経済学 <第3版><第3版>」を読み、これが文庫本だったら持ち歩くのに・・・と思ったり、「早わかり経済学入門―経済学のイロハから最新理論まで、一気にわかる。」を読み、変な例えでの説明が出てこないせいか、個別の項目に関してはとてもわかりやすいなぁ、と感じたりしました。
とはいえ、まだまだ自分できちんと教科書に書いてある経済循環モデルを「教科書通りに動く」ようににすることができません。数え切れないくらい色々な点について勘違いしている感じです。今日はとりあえず、下の図のようなモデルを作ってみたのですが、やはり自分で眺めてみても教科書とは違う変な感じになってしまいました。・・・自習で学ぼうとすると、実に難しいものですね。
2009-03-02[n年前へ]
■入門マクロ経済学の経済循環のベースモデルをSimulinkで作る 
再び、中谷巌 「入門マクロ経済学」を読みながら、その中にある経済循環の図をなぞりながら、Simulinkで経済循環モデルを作ってみました。作ったSimulinkのmdlファイルは、ここ(macromodel_basic.mdl 49kB)に置いておきます。あくまで、単純なラフスケッチ・叩き台用のモデルです。
下の図が、そのモデルになります。各サブシステムの中身も、一応「それなり」の配線になっていますので、シミュレーションして動かすこともできます。とはいえ、やはり、教科書に書いてあることも、実際に自分で作って動かして、そして納得・実感してみようと思うと、これがなかなかできません。「シミュレーションで学ぶ経済学」なんていう教科書がどこかに転がっていないものでしょうか…。
2009-03-07[n年前へ]
■静的・動的/連続・離散化、経済循環モデルの実装は難しい… 
まだまだ、中谷巌 「入門マクロ経済学」のページをめくりつつ、その中にあるマクロ経済循環の図をなぞりつつ、Simulinkモデルを作っています。作っているSimulinkのmdlファイルは、ここ(今日時点での最新版はmacromodel_basic_20090307.mdl)に逐次置いてます。
ラフスケッチ的なモデルであったとしても、全体像を形作ろうとすると色々な勘違いや、まったく理解できていない点にたくさん気づかされます。「入門マクロ経済学」のイントロダクションに書かれている
経済学の難しさは、細部についてかなりの理解に到達したとしても、全体像がつかめないと、なかなか論理の一貫した議論ができないという点にあります。という言葉だけがイヤというほどよくわかるようになります。しかも、よほど素早く物事を納得することができる人でないと、「細部についてかなりの理解」すら難しいのです。なんだか、全体像がつかめないと、「細部」すらわかないのではないだろうか…と頭を抱えたくなくるくらい、全然わかりません。
教科書のページをめくりながら、Simulkinkでモデル実装しようとすると、まず読んでいる頁に書かれている事項が「静的(静学的)」なのか「動的(動学的)」なのか、ということが今ひとつわかりません。どうも静的・動的の区別がつかないと、モデル実装のしようがありません。
さらに、動的な場合、連続的なものなのか離散化されたものなのか、という点についてもよくわからず悩みます。さらに、離散化されたものの場合には、その時間ステップについて、異なる時間ステップのものが混在していないか、どう切り分けるか…といった点について悩むわけです。また、何かの値を使うとき、その値をどういった微分・積分の階層で整理・実装するかなども、悩むところです。
何だか「機械・制御システム」を作る時に感じるだろう課題が、この経済循環モデル実装作業には、てんこ盛りに詰まっているように思います。入っていないのは浮動小数点から固定小数点や整数処理に変える際の精度保証・オーバーフロー対策の苦労くらいではないか、と思うくらいです。逆に言えば、その難しさが魅力的だということも言えるかもしれません。
Simulinkで今日作ってみたSinmulinkモデルが、下図になります。各市場部分の内部は(mdlファイルを眺めればわかるように)比較的単純な分配サブシステムになっています。そして、オレンジ色で囲んだ部分を見るとわかるように、これは計算時間ステップがほぼ1週間(Time=0.25)という動的離散化モデルで実装されています。そして、「Time=0~11(単位は月)=1年間」の計算終了時に、その1年間の国民総生産(GNP)などが計算される、というイメージで作ってみました。
前回作ったモデルとサブシステム配置はよく似ていますが、信号線を流れている値は一階層”微分”されたもの、が流れているという具合にした「つもり」です。あくまで、「つもり」なので、間違っているところも多々ありそうです。
それにしても、本当に「一部を説明した文章・式」を納得することはできても、そういった一部が組み合わさった全体の実装は、とても難しいということをつづく感じさせられます。
なぜか、以前書いた「長い文章を書くと言うこと」を思い出したのです。
一言ふと漏らすコメントは非常に的確なものなのが普通です。だって、そのクローズアップされた狭い景色の中では特に「歪み」も「矛盾」もないのが普通ですから。だから、短い言葉・文章というのは、見事なまでに「その狭い世界」を写し取っているはずだと思います。
ところが、もう少し広い世界を写し取ろうとすると、もう少し長い文章を使って大きなものを書こうとすると、途端に色んな「食い違い」が見えてきます。
2010-05-16[n年前へ]
■hodrick prescott excel add-in 
The Hodrick Prescott Filter Add-In was written by Kurt Annen. This program is freeware.






